Schaltmodul

hohe Ströme

Schaltmodul PDM30

PDM30 2

Key Facts: 

  • Schalten/Multiplexen von externen, unipolaren Versorgungsspannungen +5,5V bis 30V
  • mehrkanaliges Schalten von Hochstrom-Lasten bis zu 25A
  • Einspeisen von bis zu 4 unterschiedlichen externen Quellen
  • Steuerung über den Analogbus des GT4000
  • Potenzialfrei
  • integrierte Spannungs- und Stromüberwachung
  • Stand-by-Strom-Überwachung im uA Bereich

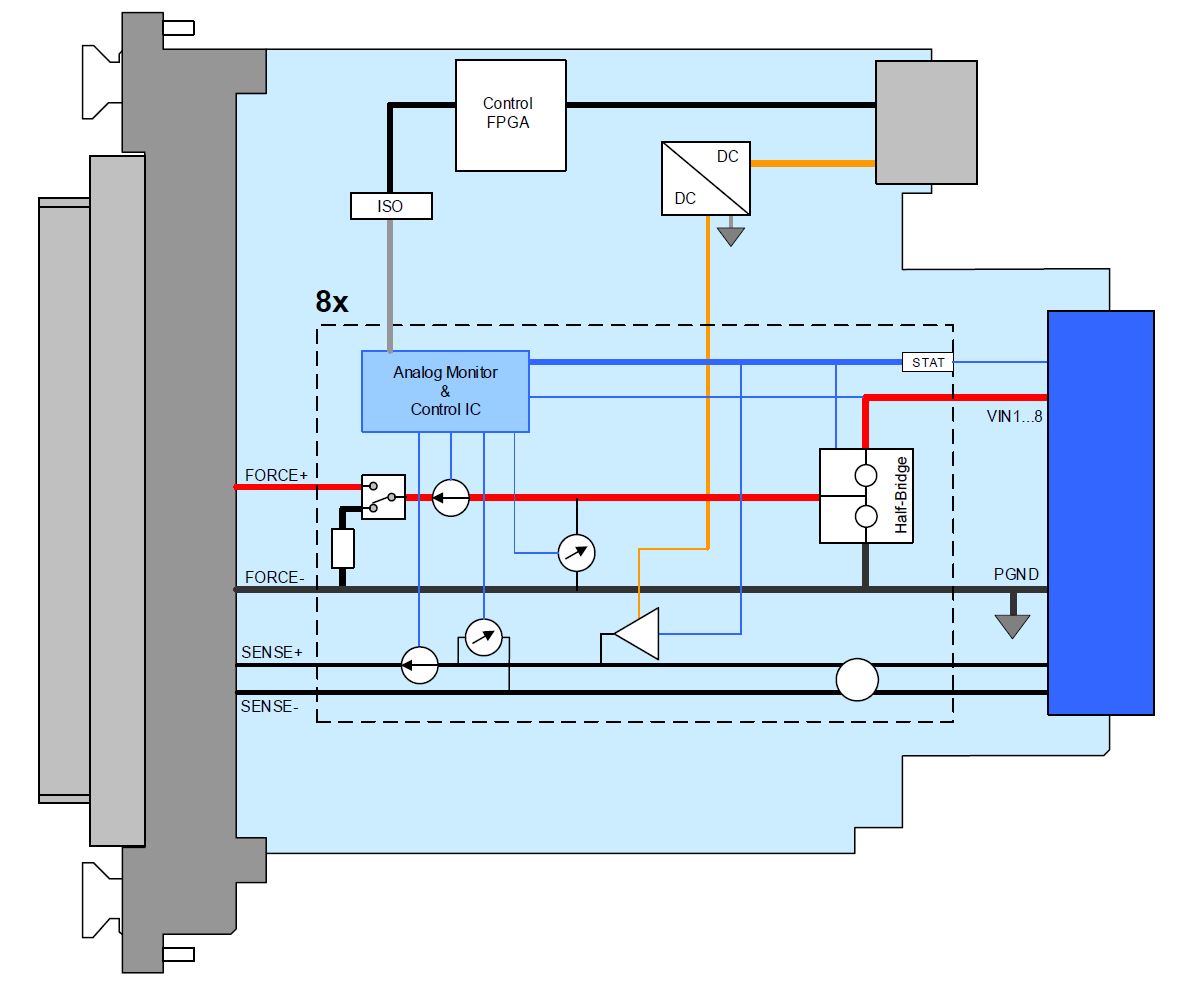
Blockschaltbild

Sie haben Prüfherausforderungen mit Hochspannung und Hochstrom? Gerne unterstützen wir Sie!